
Wille Verfahrenstechnik & Engineering e.K.
Die Effizienzexperten für Ihre Problemlösung, praxisnah
Energieeffizienz für die Zukunft
Innovative Lösungen für Handwerk,Industrie,Verwaltung,Kommunen
Wir bieten maßgeschneiderte Dienstleistungen zur Verbesserung der Energieeffizienz. Nutzen Sie unser Know-how im Bereich Energiesparen, Energieaudit und Wärmerückgewinnung.

Energieaudit
Unsere Energieaudits identifizieren Einsparpotenziale in Ihrem Gebäude bzw. Produktion.

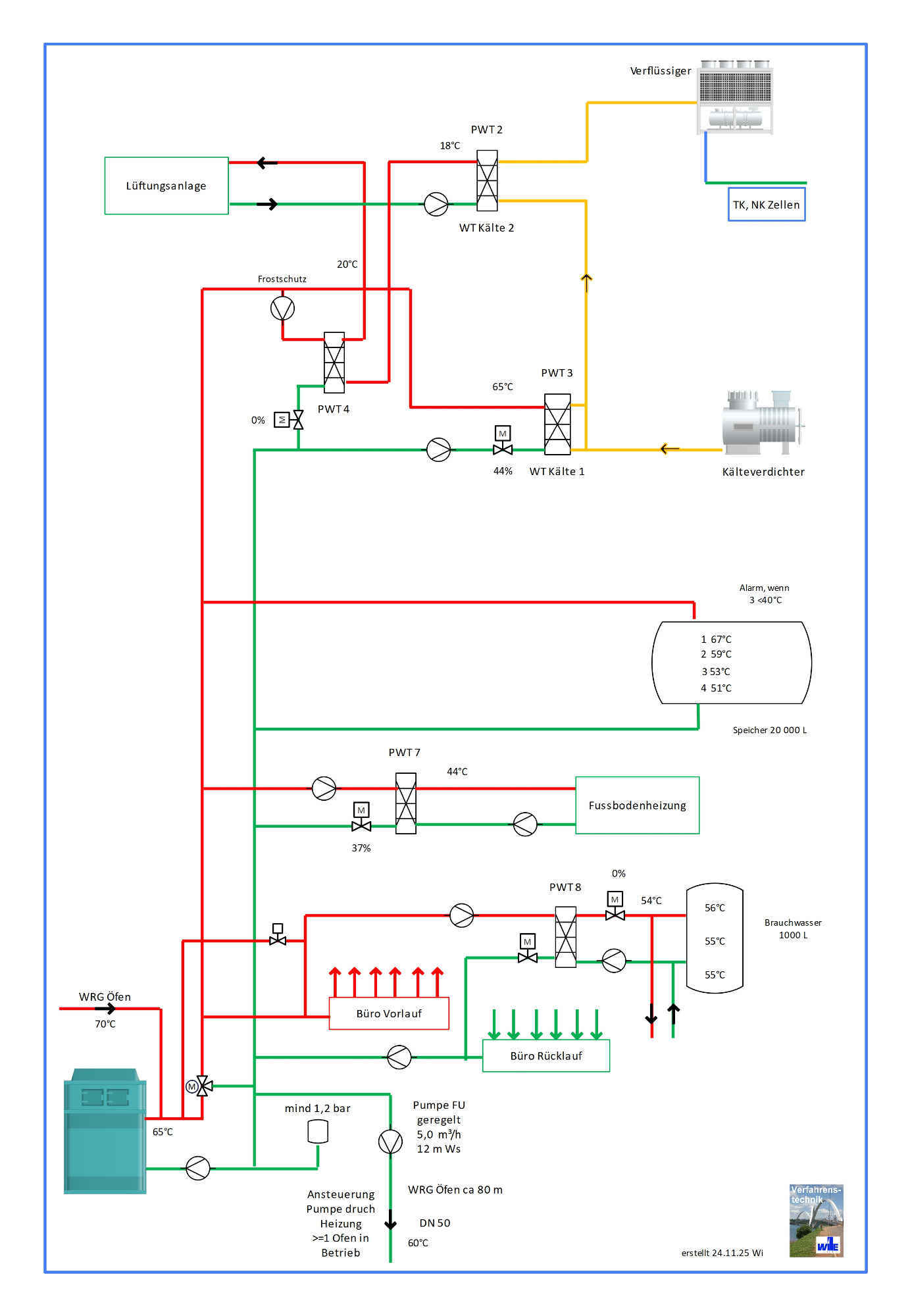
Wärmerück-gewinnung
Optimieren Sie Ihre Systeme durch effektive Wärmerückgewinnungs-methoden.

Energieeffizienz-beratung
Fachkundige Beratung zur Optimierung Ihrer Energieverwendung.
Über Wille Verfahrenstechnik & Engineering
Ihr Partner für Energieoptimierung
Wir sind Experten in der Energiespar- und Effizienzberatung.
Unser Ziel ist die Reduzierung von Energiekosten und die Verbesserung der Nachhaltigkeit in Nichtwohngebäuden.
Wir sind in allen Kategorien Nichtwohngebäude akkreditiert und als Kältefachleute anerkannt.
25 Jahre Erfahrung, Experten für Kälteanlagen, 2 mal für den Deutschen Umweltpreis niminiert
Beispiele
Energieeffizienzlösungen
praxisnah, effizient, in Kooperation mit Ihren Haustechnikern, gefördert
Energieaudits
Analyse, Lösungen, Fördermittel
Effizienz-berechnungen
Efizienzberechnungen für Maschinentausch und komplette Abwicklung bis zur Auszahlung Förderung

Energieberatung
Energieberatung und Lösungen dazu, um einen effizienten Betrieb zu erreichen
Gebäudedämmung,Heizungs-optimierung, Förderung
Planung,Umsetzung
Planung und Umsetzungs-begleitung von Wärmerückgewinnungs-systemen

Wer wir sind
Unser Team besteht aus hervorragend ausgebildeten und motivierten Mitarbeitern, die absolute Experten auf ihrem Gebiet sind. Dank ihrer langjährigen Erfahrung in der Branche können sie jederzeit umfangreichen, erstklassigen Service für unsere Kunden anbieten.
Werner Wille, Geschäftsführer
"Wir handeln nach dem Grundsatz des Ehrbaren Kaufmannes!"
Es gilt das gesprochene Wort.
Beurkundet durch IHK
Werner Wille, GF

Kontakt aufnehmen
4
Bafa akreditiert in allen 4 Kategorien des Nichtwohngebädes
765
Durchgeführte Energieaudits und umgesetze Wärmerück-gewinnungssysteme
25
Jahre Erfahrung in Effizienzberatung und Planung
Drei
Standorte
Wille Verfahrenstechnik & Engineering e.K.
92262 Birgland, Leinbergstrasse 6, Tel: 09666 7414080
info@wille-verfahrenstechnik.de
56743 Thür, Tel: 0157/58485746
rolfmintgen@online.de
30916 Isernhagen
info@wille-verfahrenstechnik.de











